产品参数
狗子28汽车直流无刷电机FC-280PT/PC
电机型号 |
电压
|
空载
|
在最大效率时
|
堵转
|
||||||||
工作范围 (V) |
额定 (V) |
速度 (r/min) |
电流 (A) |
速度 (r/min) |
电流 (A) |
扭矩 (mN.m) |
扭矩 (g.cm) |
输出 (W) |
扭矩 (mN.m) |
扭矩 (g.cm) |
电流 (A) |
|
FC-280PT | 9-15 | 12 | 12200 | 0.16 | 10360 | 0.63 | 4.22 | 43 | 4.57 | 30.9 | 315 | 4.00 |
FC-280PC | 10-15 | 12 | 13000 | 0.1 | 4000 | 2.9 | 20 | 204 | 3.98 | 30 | 260 | 3.40 |
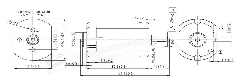
机械尺寸
