产品参数
电机型号 |
电压
|
空载
|
在最大效率时
|
堵转
|
||||||||
工作范围 (V) |
额定 (V) |
速度 (r/min) |
电流 (A) |
速度 (r/min) |
电流 (A) |
扭矩 (mN.m) |
扭矩 (g.cm) |
输出 (W) |
扭矩 (mN.m) |
扭矩 (g.cm) |
电流 (A) |
|
37ZYJ500-1 | 6-20 | 12 | 80 | 0.13 | 61 | 0.427 | 210 | 2142 | 1.35 | 900 | 9180 | 1.4 |
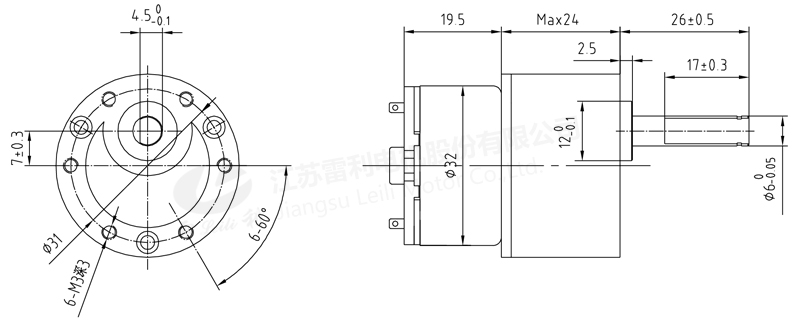
机械尺寸
