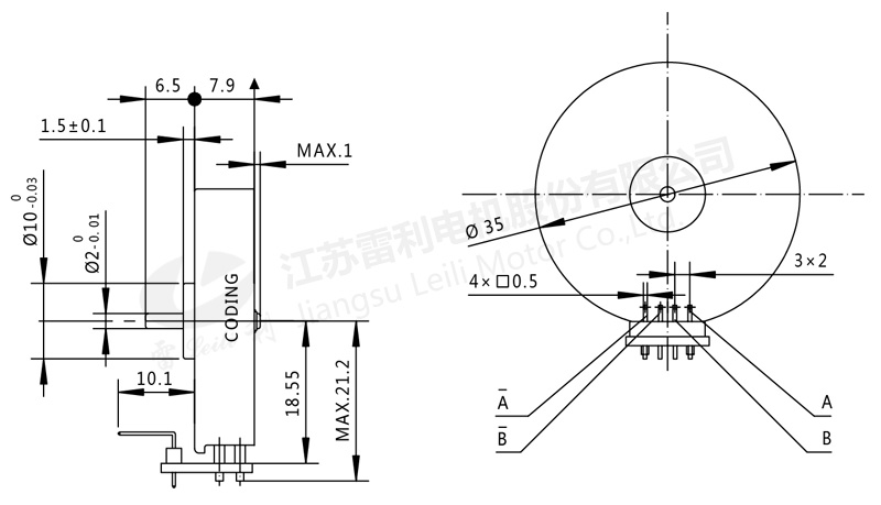
PM步进电机 35BY412S-264
产品介绍
型号:35BY412S-264
主要功能:控制进气格栅自动打开关闭
狗子28PM步进电机的转子使用永磁材料,通过转子和定子之间同性相斥异性相吸原理不断进行运转,一般为内转子型电机,圆柱形转子的外表面均匀分布着N、S极(外表面无齿)。PM步进电机一般为两相,扭矩和体积小。
应用领域
汽车:进气格栅
可选配零件
温馨提示:
以下产品参数为标准产品,我司可以根据客户的特殊需求做产品的设计、开发及生产。详情请邮件联系marketing@leiligroup.com。
以下产品参数为标准产品,我司可以根据客户的特殊需求做产品的设计、开发及生产。详情请邮件联系marketing@leiligroup.com。
产品参数
35BY412S-264永磁步进电机是一种感应电机,它的工作原理是利用电子电路,将直流电变成分时供电的,多相时序控制电流,用这种电流为步进电机供电,步进电机才能正常工作,驱动器就是为步进电机分时供电的,多相时序控制器 。
电机型号 | 步距角 | 驱动方式 | 驱动电路 | 驱动电压 | 电流 | 线圈电阻 | 绝缘电阻 | 绝缘耐压 | 绝缘等级 |
35BY412S-264 | 48 (7.5°/Step) | 1-2 PHASE | BIPOLAR CONST.VOLT | DC12[V] | 240[mA] | 18.2[Ω] | 100M[Ω] MIN | AC 500[V] 1[min] | CLASS E |
机械尺寸
