产品参数
电机型号 | 电压 V |
频率 (Hz) |
电流 (mA) |
功率 (W) |
行程 (mm) |
启动电压 (VAC) |
噪音 (A) |
安装尺寸 (mm) |
牵引力 (N) |
绝缘等级 |
QA22-68 | 220/240 | 50/60 | ≤30 | ≤6 | 23±1 | ≤176 | ≤55 | 75±0.3 | 78.4 | E |
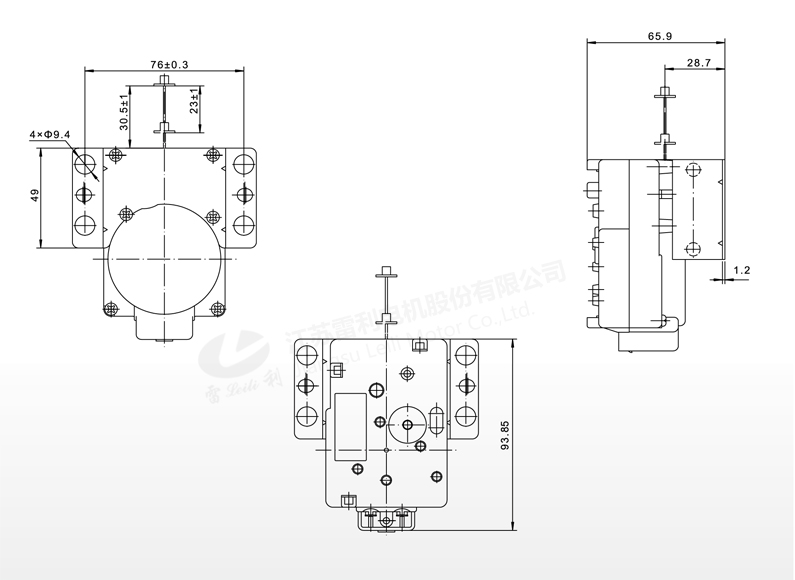
机械尺寸

电机型号 | 电压 V |
频率 (Hz) |
电流 (mA) |
功率 (W) |
行程 (mm) |
启动电压 (VAC) |
噪音 (A) |
安装尺寸 (mm) |
牵引力 (N) |
绝缘等级 |
QA22-68 | 220/240 | 50/60 | ≤30 | ≤6 | 23±1 | ≤176 | ≤55 | 75±0.3 | 78.4 | E |