开关磁阻电机
产品介绍
开关磁阻电机工作原理
利用磁阻最小原理,也就是磁通总是沿磁阻最小的路径闭合,利用磁引力拉动转子旋转。
开关磁阻电机发展历史:
1970年,英格兰学者Davidson制造了一台用以推动蓄电池机车的驱动系统。
1973年,英国Leeds大学步进电机和磁阻电机研究小组首创了一台现代开关磁阻电机。
1980年,Lawrenson在ICEM会议上,发表论文“开关磁阻调速电动机”,系统阐述了SR电机的原理及设计特点,在国际上奠定了现代SR电机的地位,SR电机开始进入产业化应用。
英国、美国、日本在SR系统的开发研制、产业化应用方面一直处于国际领先地位。
应用领域
家电领域:洗衣机、搅拌机、吸尘器、干手机、园林机械;
工业领域:采煤运输、轧钢、刨床、球磨机、油田抽油机、空气压缩机、工业水泵;
汽车领域:轮毂电机、电动助力车、城市无轨电车;p
建筑施工:凿岩机械、岩石切割打磨、碎石机械,螺栓紧固。
可选配零件
以下产品参数为标准产品,我司可以根据客户的特殊需求做产品的设计、开发及生产。详情请邮件联系marketing@leiligroup.com。
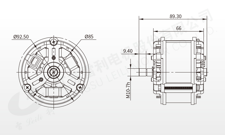
产品参数
开关磁阻电机工作原理
利用磁阻最小原理,也就是磁通总是沿磁阻最小的路径闭合,利用磁引力拉动转子旋转。
开关磁阻电机发展历史:
1970年,英格兰学者Davidson制造了一台用以推动蓄电池机车的驱动系统。
1973年,英国Leeds大学步进电机和磁阻电机研究小组首创了一台现代开关磁阻电机。
1980年,Lawrenson在ICEM会议上,发表论文“开关磁阻调速电动机”,系统阐述了SR电机的原理及设计特点,在国际上奠定了现代SR电机的地位,SR电机开始进入产业化应用。
英国、美国、日本在SR系统的开发研制、产业化应用方面一直处于国际领先地位。
开关磁阻电机应用领域
家电领域:洗衣机、搅拌机、吸尘器、干手机、园林机械;
工业领域:采煤运输、轧钢、刨床、球磨机、油田抽油机、空气压缩机、工业水泵;
汽车领域:轮毂电机、电动助力车、城市无轨电车;p
建筑施工:凿岩机械、岩石切割打磨、碎石机械,螺栓紧固。
| 电机型号 |
相数 |
极数 |
额定电压 (VDC) |
额定转速 (RPM) |
额定转矩 (N·m) |
额定功率 (W) |
空载转速 (RPM) |
绝缘等级 |
噪音 (A) |
| SR8035 | 3 | 6/4 | 58 | 18000 | 0.36 | 670 | 24000 | F | 55 |
| SR8050 | 3 | 6/4 | 220 | 24000 | 0.72 | 1800 | 32000 | F | 55 |
| SR8027 | 2 | 4/2 | 220 | 34000 | 0.22 | 800 | 41000 | F | 58 |
| SR9527 | 2 | 8/6 | 220 | 28000 | 0.53 | 1550 | 31000 | F | 58 |

